Hydraulikzylinder (1)
1.1 Wie sind Hydraulikzylinder aufgebaut?
1.2 Wie unterscheiden sich einfach und doppelt wirkende Zylinder?
2.1 Wie berechnet man Druck- und Zugkräfte?
In welchem Verhältnis stehen Druck- und Zugkräfte? Gibt es Kraftverluste?
Wird ein Hydraulikzylinder auf der Kolbenseite mit dem Druck pK beaufschlagt,
so erzeugt er die Druckkraft ...
Wird ein Hydraulikzylinder auf der Kolbenstangenseite mit dem Druck pSt beaufschlagt,
so erzeugt er die Zugkraft ...
Wichtig
Die Formeln gelten nur dann, wenn kein Gegendruck (pSt = 0 bzw. pK = 0) bzw. keine Gegenkraft vorhanden ist. Diese entgegenwirkenden Kräfte müssen ggf. von der Druck- bzw. Zugkraft abgezogen werden.
Umrechnungen:
Kraft F: 1 kN = 1000 N, 1 kN = 98,1 kp
Druck p: 1 bar = 105 N/m2 = 0,1 N/mm2 = 0,1 MPa
1 Pa = 1 N/m2 (1 Pascal)
π = 3,1416
Zug- und Druckkraft des Hydraulikzylinders
Das Verhältnis zwischen Druck- und Zugkraft bei ROEMHELD Hydraulikzylindern beträgt näherungsweise: FDruck ≈ 1,6 × FZug
Für genaue Berechnungen der Kraft sind auftretende Kraft- bzw. Druckverluste zu berücksichtigen.
- Kraft-/Druckverluste durch Kolben- und Kolbenstangendichtungen
Die Reibkraft der Dichtungen muss ständig überwunden werden.
Richtwert für den Druckverlust beim Anfahren: 3 bis 6 bar
(Der Druckverlust während des Hubs ist deutlich geringer) - Kraft-/Druckverluste durch Rückstellfeder
Bei einfach wirkenden Zylindern mit Federrückstellung reduziert sich die Zylinderkraft um die Vorspannkraft der Rückstellfeder. - Druckverluste im hydraulischen System
Strömungswiderstände in Zuleitungen und Ventilen reduzieren den Druck am Zylinder während der Bewegung. - Staudruck im hydraulischen System
Wenn das Öl z. B. im Rückhub nicht schnell genug abfließen kann.
ROEMHELD bietet Hydraulikzylinder mit einer Druckkraft bis zu 1570 kN an.
2.2 Welcher Kolbendurchmesser ist erforderlich?
Wie groß sind die Kolbenflächen?
Der Mindestdurchmesser eines Kolbens, der bei einem vorgegebenen Druck für eine notwendige Druckkraft erforderlich ist, lässt sich wie rechts abgebildet berechnen.
Gewählt wird dann der nächst größere genormte Kolbendurchmesser.
Berechnung des Kolbendurchmessers
Den Zusammenhang zwischen Öldruck, Kolbenkraft und Kolbendurchmesser zeigt die Grafik rechts.
Die Kolbenflächen lassen sich mit den entsprechenden Durchmessern berechnen.
Dabei ist ASt die Kolbenstangenfläche.
ROEMHELD bietet Hydraulikzylinder für einen großen Kolbendurchmesserbereich an:
- doppelt wirkend: Ø 16 mm bis Ø 200 mm
- einfach wirkend: Ø 8 mm bis Ø 100 mm
2.3 Welcher Druck ist notwendig um eine bestimmte Kraft zu erzeugen?
Der erforderliche Druck p lässt sich aus der gewünschten Kraft und Kolbenfläche berechnen:
2.4 Was ist der maximale Betriebsdruck einer Hydraulikanlage?
Jede Kette ist nur so stark, wie ihr schächstes Glied. Daraus folgt: Der maximale Betriebsdruck in einer Hydraulikanlage richtet sich nach dem Bauteil mit dem kleinsten maximal zulässigen Betriebsdruck.
Wichtig
Alle Hydraulikelemente wie Ventile, Rohre, Schläuche usw. müssen auf den maximalen Betriebsdruck, mit dem die Anlage betrieben werden soll, abgestimmt werden.
Der angegebene maximale Betriebsdruck von Hydraulikzylindern darf niemals - auch nicht kurzzeitig - überschritten werden. Dies kann zur Zerstörung des Zylinders führen, mit der möglichen Folge von erheblichen Personen- und Sachschäden. Zudem führt es in jedem Fall zum Verlust der Gewährleistungsansprüche.
2.5 Welches Ölvolumen wird für den Kolbenhub benötigt?
Das Ölvolumen V, das für einen Kolbenhub benötigt wird, errechnet sich aus der wirksamen Kolbenfläche A und dem benötigten Kolbenhub.
2.6 Wie berechnet man die Hubzeit eines Zylinders?
Mit dem Zylindervolumen V und gegebenem Pumpenvolumenstrom Q kann die Hubzeit errechnet werden:
- für einen Kolbenhub
- mit der Kolbenfläche A
- mit der Kolbengeschwindigkeit v
Umrechnungen:
- Volumenstrom Q:1 l/min = 16,667 cm3/s, 1 cm3/s = 0,06 l/min
- Kolbengeschwindigkeit v:1 m/s = 100 cm/s = 1000 mm/s
Diese rein rechnerische Zeitbestimmungen gehen von einer konstanten Kolbengeschwindigkeit über den gesamten Hub aus. Beschleunigungszeiten, Zeiten für Schaltvorgänge oder zum Druckaufbau u. ä. sind hier nicht berücksichtigt.
2.7 Wie hoch ist die Kolbengeschwindigkeit?
Bei gegebenem Pumpenvolumenstrom Q und der wirksamen Kolbenfläche A errechnet sich
- die Kolbengeschwindigkeit
- Kolbengeschwindigkeit mit Hubzeit tH
Wichtig
Bei gleichem Pumpenvolumenstrom Q ist die Kolbengeschwindigkeit beim Einfahren um das Flächenverhältnis ϕ höher als beim Ausfahren.
2.8 Welcher Pumpenvolumenstrom ist bei vorgegebener Hubzeit erforderlich?
Der erforderliche Pumpenvolumenstrom errechnet sich aus dem Gesamtvolumen aller Zylinder Vges und der Zeit tH, in der alle Hubbewegungen durchgeführt sein sollen.
Erforderlicher Pumpenvolumenstrom
Wichtig
Diese Berechnungen berücksichtigen nur die reinen Hubvolumen aller Zylinder im drucklosen Zustand.
Wenn die Taktzeit (Zeit für den Arbeitszyklus) vorgegeben ist und auf keinen Fall überschritten werden darf, müssen die Schaltzeiten von Ventilen, Beschleunigungszeiten und die Zeit für den Druckaufbau bis zum Schalten des Druckschalters, der den erreichten Druck signalisiert, beachtet werden (siehe Punkt 2.9).
Achtung!
In der Praxis wird nicht immer jede gewünschte Taktzeit erreicht. Vor allem wenn große Massen bewegt werden und diese nicht zu hart anschlagen dürfen, müssen die Zylinder wieder gedrosselt werden, was zu starker Ölerwärmung führen kann. In diesen Fällen sind Hydraulikzylinder mit Endlagendämpfung empfehlenswert.
2.9 Warum ist die tatsächliche Hubzeit oft erheblich länger als erwartet?
Während der Hubbewegung ist das Hydrauliksystem meist nahezu drucklos, da hierfür keine große Kraft und damit Druck erforderlich ist. Erst wenn der Kolben auf das Werkstück trifft und die gewünschte Kraft erzeugt werden soll, muss das ganze Hydrauliksystem auf Druck gebracht werden. Hierzu ist die Zeit tDr erforderlich, welche die berechnete
Hubzeit tH erheblich verlängern kann.
Tatsächliche Hubzeit
Tatsächliche Hubzeit tHt = Hubzeit tH + Zeit für Druckaufbau tDr
Die Ursache für die Zeit tDr ist, dass der Druckerzeuger ein zusätzliches Ölvolumen in das Hydrauliksystem pumpen muss. Die wichtigsten Gründe hierfür sind:
Damit muss der Druckerzeuger tatsächlich folgendes Volumen bereitstellen:
Hinweis
Für die Berechnung der Taktzeit muss natürlich auch die Zeit für den Rückhub in gleicher Weise ermittelt werden. In der Praxis ist die tatsächliche Hubzeit tHt nicht selten 20 bis 50% länger als die Hubzeit tH.
2.10 Welches Volumen wird wegen der Kompressibilität des Hydrauliköls zusätzlich benötigt?
Wird Hydrauliköl unter Druck gesetzt, so verringert sich sein Volumen. Das bedeutet, dass der Druckerzeuger bei einem Druckanstieg Δ p (delta p) ein zusätzliches Volumen Vβ zur Verfügung stellen muss.
Das Volumen Vβ wird mit dem Kompressibilitäts-Faktor β des Hydraulikmediums
berechnet:
Kompressibilitäts-Volumen
Für Hydrauliköl beträgt β ca. 70 × 10-6 1/bar
Daraus folgt:
Für einen Druckanstieg von 100 bar wird 0,7 % mehr Ölvolumen benötigt.
Bei der Berechnung von Vβ einer Hydraulikanlage muss das gesamte Ölvolumen Vges, das komprimiert wird, berücksichtigt werden. Das heißt, angefangen vom Druckerzeuger bis zu den Hydraulikzylindern sind alle Ölvolumen zu addieren.
Wichtig
Luft im Hydrauliköl erhöht die Kompressibilität und das zusätzliche Volumen Vβ. Dadurch verlängert sich die tatsächliche Hubzeit tHt erheblich. Deshalb ist jede Hydraulikanlage bei der Inbetriebnahme sorgfältig zu entlüften.
2.11 Welches Volumen wird wegen der Materialdehnung von Hydraulikschläuchen zusätzlich benötigt?
Bei Druckbeaufschlagung werden Schläuche gedehnt und nehmen ein zusätzliches Volumen an Hydrauliköl auf. Da es relativ groß ist, sollte dieses Volumen bei der Berechnung der tatsächlichen Hubzeit tHt beachtet werden.
Die Volumenzunahme der Hydraulikschläuche VSzu wird mit der - von der Nennweite abhängigen - spezifischen Volumenzunahme VSp berechnet.
Richtwerte für die spezifische Volumenzunahme VSp:
Bei gegebener Schlauchlänge Ls und Druckanstieg Δp ergibt sich:
Volumenzunahme von Hydraulikschläuchen
Nach obiger Formel folgt:
Bei einem Nenndurchmesser DN6, einem Druckanstieg von 100 bar und einer Schlauchlänge von 1 m ergibt sich eine Volumenzunahme eines Hydraulikschlauches von
1 cm3.
Hinweis
Die Volumenzunahme von Hydraulikrohren kann in der Regel vernachlässigt werden.
2.12 Wie verändert sich der Öldruck in geschlossenen Systemen, wenn sich die Umgebungstemperatur ändert?
Alle Hydraulikmedien dehnen sich bei Temperaturerhöhung aus. Die Volumendifferenz VT, die durch eine Temperaturdifferenz ΔT bewirkt wird, wird mit dem Wärmeausdehnungs-Faktor α des Hydraulikmediums berechnet.
Volumendifferenz durch Temperaturänderung
Für Hydrauliköl beträgt α ca. 0,67 × 10-3 1/K
Hinweis
Die Temperaturdifferenz kann in Grad Kelvin [K] oder Grad Celsius [°C] in die Formel eingesetzt werden.
Nach vorangegangener Formel folgt für Hydrauliköl:
Eine Temperaturerhöhung von 15 °C bewirkt eine Volumenerhöhung von ca. 1%.
In einem geschlossenen hydraulischen System steht jedoch kein Raum zur Volumenvergrößerung zur Verfügung. Das Hydraulikmedium wird entsprechend dem Kompressibilitäts-Faktor β (siehe 2.10) komprimiert und eine Druckerhöhung Δp nach folgender Formel ist die Folge:
Für Hydrauliköl gilt:
Eine Temperaturerhöhung von 1°C bewirkt eine Druckerhöhung von etwa 10 bar.
In einem geschlossenen hydraulischen System muss - je nach Anwendung - die Druckänderung durch eine Temperaturänderung schon in der Planungsphase berücksichtigt werden.
Unzulässige Druckerhöhungen können beispielsweise durch Druckbegrenzungsventile vermieden werden. Unerwünschter Druckabfall kann durch einen Druckspeicher
verringert werden.
3.1 Welche Betriebstemperaturen sind möglich?
Wann sind FKM-Dichtungen erforderlich?
Der Temperaturbereich, in dem Hydraulikzylinder eingesetzt werden können, hängt in erster Linie von dem eingesetzten Dichtungswerkstoff ab. In der Regel bestimmen die eingesetzten O-Ringe die Temperaturgrenzen. ROEMHELD Hydraulikzylinder werden serienmäßig mit folgenden Dichtungswerkstoffen ausgestattet:
- NBR = Nitril-Butadien-Rubber
Handelsname z. B. Perbunan
Betriebstemperatur – 30 … + 80 °C - FKM = Fluorkautschuk
Handelsname z. B. VITON®
Betriebstemperatur – 20 … + 150 °C
Die Angaben beziehen sich auf die direkte Temperatur der Dichtungen, die sich aus der Umgebungstemperatur und der Temperatur des Hydraulikmediums zur eigentlichen Betriebstemperatur des Hydraulikzylinders zusammensetzen kann. Das bedeutet beispielsweise, dass die Innentemperatur einer Spritzgießform weit höher sein kann, als
die Betriebstemperatur eines an der Form angebauten Hydraulikzylinders.
Hydraulikzylinder für Betriebstemperaturen von 150 bis 200 °C können als Sonderausführung geliefert werden. Dabei handelt es sich um eine FKM-Ausführung mit speziellen Stützringen.
Hydraulikzylinder für Betriebstemperaturen über 200 °C
Werden Betriebstemperaturen über 200 °C benötigt, so sollten im Vorfeld bereits konstruktive Maßnahmen zur Reduzierung der Betriebstemperatur des Hydraulikzylinders getroffen werden (Isolierung, Kühlung o. ä.).
Zwar werden von Dichtungsherstellern auch O-Ringe für höhere Temperaturen angeboten (z. B. aus FKM-Perfluor-Kautschuk mit den Markennamen Kalrez, Isolast u. a.), diese sind jedoch meist nicht für die dynamischen Dichtungsanforderungen des Hydraulikzylinders
geeignet. Zudem umfasst das Angebot der Dichtungshersteller zumeist keine Abstreifer aus diesen Materialien.
Bei der Auswahl eines Hydraulikzylinders in Bezug auf die Betriebstemperatur ist weiterhin noch zu beachten:
- Wahl eines geeigneten Hydraulikmediums
- Zulässige Betriebstemperatur von angebauten Zubehörteilen (z. B. Positionskontrollen)
- Zulässige Betriebstemperatur von direkt im Zylinder eingebauten Zusatzteilen
(z. B. der Magnet bei Hydraulikzylindern mit Positionskontrollen mit Magnetsensoren)
3.2 Ist die Einbaulage beliebig?
Welche Befestigungsmöglichkeiten gibt es?
ROEMHELD Hydraulikzylinder können in jeder beliebigen Lage eingebaut werden.
Für die Befestigung der Zylinder stehen meist Durchgangslöcher für Schrauben nach
DIN ISO 273 fein längs und/oder quer zur Zylinderachse zur Verfügung. Einige Zylinderbaureihen sind zusätzlich mit Senkungen für Zylinderschrauben mit Innensechskant nach DIN 912 versehen.
Blockzylindern mit längeren Hüben (160 und 200 mm) erhalten wegen der großen Länge anstelle der Längsbohrungen als Standard Innengewinde zur Befestigung.
Bei kleineren Hüben wird die Ausführung „Gewinde anstelle der Längsbohrungen“ als Zylindervariante mit einem Preisaufschlag (siehe aktuelle Preisliste) auf den Standardzylinder angeboten.
Es werden je 4 Sacklochgewinde an Boden- und Stangenseite angebracht.
Die Längsbohrungen entfallen.
Hinweis
Für die Befestigung der Zylinder können grundsätzlich Schrauben der Festigkeitsklasse 8.8 verwendet werden.
Werden Hydraulikzylinder mit Schrauben quer zur Zylinderachse befestigt, werden die Schrauben durch die Zylinderkräfte auf Abscherung beansprucht. In diesem Fall müssen Hydraulikzylinder ab einem bestimmten Betriebsdruck abgestützt werden.
Die Höhe der Abstützung braucht nur wenige Millimeter zu betragen.
Die Abstützung muss der erzeugten Kraft entgegenwirken. Das heißt, beim Einsatz als Druckzylinder (Erzeugung von Druckkraft) muss hinten (bodenseitig) abgestützt werden. Beim Einsatz als Zugzylinder (Erzeugung von Zugkraft) muss vorne (stangenseitig) abgestützt werden.
Eine Abstützung ist ab folgenden Betriebsdrücken erforderlich:
Alternativ zu dieser Abstützung können Hydraulikylinder mit einer Quernut im Gehäuse ausgestattet werden, die die Zylinderkräfte über eine Passfeder auf die Anschraubfläche übertragen. Die zuvor beschriebene Abstützung ist dann nicht notwendig.
Folgende Hydraulikzylinder haben in der Standard-Ausführung bereits eine Quernut:
Bei Blockzylindern wird die Ausführung „mit zusätzlicher Quernut“ als Variante mit einem Preisaufschlag (siehe aktuelle Preisliste) auf den Standardzylinder angeboten.
Eine Alternative in Bezug auf die Befestigung stellen folgende Hydraulikzylinder dar:
- Universalzylinder mit Außengewinde B 1.309
Das runde Gehäuse mit Außengewinde kann einfach mit 2 Nutmuttern in Durchgangsbohrungen befestigt werden. Anhand der Nutmuttern kann der Zylinder in axialer Richtung exakt positioniert werden. - Blockzylinder mit Gelenklager B 1.542 / G 3.810
Am Blockzylindergehäuse ist direkt ein Gelenklager befestigt, das einen entsprechenden Lagerbolzen aufnehmen kann. Als Option ist ein Gelenkkopf zum Aufschrauben auf die Kolbenstange erhältlich.
3.3 Wie werden die beweglichen Teile an der Kolbenstange befestigt?
Kolbenstange mit Innengewinde
Zur Befestigung von Bauteilen an der Kolbenstange sind die meisten Hydraulikzylinder mit einem Innengewinde in der Kolbenstange ausgestattet.
Zum Gegenhalten beim Festziehen der Anbauteile haben die Hydraulikzylinder entweder zwei angefräste Schlüsselflächen an der Kolbenstange (bei kleinen Durchmessern) oder radiale Bohrungen in der Kolbenstange (bei großen Durchmessern).
Kolbenstange mit Innengewinde und Gewindestift
In die Innengewinde können kundenseitig selbstverständlich auch Gewindestifte eingeschraubt werden, um einen Anschluss mit Außengewinde zu erhalten. Zu beachten ist dann, dass der Gewindestift auch die entstehenden Kräfte übertragen kann.
Kolbenstange mit Außengewinde
Alternativ zum Innengewinde bietet ROEMHELD folgende Ausführungen mit Kolbenstange mit Außengewinde an:
Bei der Befestigung von Bauteilen, die zusätzlich geführt werden, müssen Druckschrauben mit Kupplungszapfen (siehe Katalogblatt G 3.800) verwendet werden, damit es nicht zu Zwangszuständen kommt.
3.4 Welche hydraulischen Anschlussmöglichkeiten gibt es?
Hydraulikzylinder haben in Abhängigkeit der Bauart zwei unterschiedliche Möglichkeiten des hydraulischen Anschlusses.
Rohrgewinde G
Der Zylinder ist mit Whitworth-Rohrgewinde nach DIN ISO 228 (Kurzzeichen G) mit Einschraubloch Form X nach DIN 3852 Blatt 2 (für zylindrischen Einschraubzapfen) versehen, die sich bei Blockzylindern in der Regel an der Schmalseite befinden.
Der hydraulische Anschluss erfolgt über passende Rohrverschraubungen.
Ausführungen zum Aufflanschen mit O-Ring-Abdichtung
Der Zylinder wird auf eine Grundplatte o. ä. angeflanscht und über gebohrte Hydraulikkanäle direkt mit dem Hydraulikmedium versorgt.
Die Abdichtung zwischen Zylinder und Grundplatte erfolgt über O-Ringe, deren Ansenkungen sich im Hydraulikzylinder befinden.
Die zur Abdichtung notwendigen O-Ringe sind immer Lieferbestandteil des Hydraulikzylinders. Damit eine einwandfreie Abdichtung gewährleistet ist, muss die Anflanschfläche der Grundplatte eine Oberflächen-Rauhtiefe von Ra < 0,8 haben. Die Anschlussbohrung in der Grundplatte darf nicht größer sein als die entsprechende Bohrung im Zylinder.
In Abhängigkeit der Lage der Ölzuführung gibt es folgende Ausführungen:
- K - Breitseite „16 - 40 Hub“
- L - Breitseite „ab 50 Hub“
- S - Stangenseite
- B - Bodenseite
Hinweis
Die Ausführungen K und L müssen mit den Querbohrungen befestigt werden und sind deshalb nicht mit Längsbohrungen ausgestattet. Die Ausführungen B und S müssen mit den Längsbohrungen befestigt werden und sind deshalb nicht mit Querbohrungen ausgestattet.
3.5 Was muss bei der Auswahl der Hydraulikflüssigkeit beachtet werden?
Bei der Auswahl der Druckflüssigkeit sind neben dem Hydraulikzylinder alle weiteren Komponenten der hydraulischen Anlage (z. B. Pumpen, Ventile etc.) sowie deren Zusammenwirken (z. B. Wärmeentwicklung) zu beachten.
Folgende Kriterien sind maßgeblich:
- Temperatur / Viskositätsverhalten
- Verschleiß- bzw. Korrosionsverhalten / Werkstoffbeständigkeit
- Brenn- bzw. Entflammbarkeit
- Umweltverträglichkeit
- Alterungsbeständigkeit
Bei der Auswahl einer Druckflüssigkeit sollte im Zweifel immer beim Hersteller nachgefragt werden. Denn schon geringe Mengen an speziellen herstellerabhängigen Zusätzen bzw. Additiven können sich auf die Eigenschaften der Druckflüssigkeit auswirken.
Unabhängig von der gewählten Sorte, sollte die Druckflüssigkeit regelmäßig kontrolliert (Verschmutzung, Ölstand etc.) und gewechselt werden (abhängig von den Betriebsstunden, Sorte etc.).
Das Vorhandensein des entsprechenden Sicherheitsdatenblatts ist selbstverständlich.
4.1 Welche Rohrverschraubungen werden verwendet?
Zum Whitworth-Rohrgewinde G passende Rohrverschraubungen entsprechen DIN 2353, Einschraubzapfen Form B nach DIN 3852 Blatt 2.
Als Rohrverschraubungen für Hydraulikzylinder mit Stahlgehäuse werden metallisch dichtende Ausführungen (mit Dichtkante) eingesetzt.
Bei Hydraulikzylindern mit Aluminiumgehäuse dürfen nur Rohrverschraubungen
mit Weichdichtung (Elastic-Dichtungen) verwendet werden.
Wichtig
Es darf kein zusätzliches Dichtmittel wie z. B. Teflonband verwendet werden!
Die Rohrverschraubungen werden in 2 Baureihen angeboten:
- Baureihe L: “Leichte Baureihe”
für einen maximalen Betriebsdruck von 250 ... 350 bar (je nach Ausführung) - Baureihe S: “Schwere Baureihe”
für einen maximalen Betriebsdruck von 400 ... 500 bar (je nach Ausführung)
Die Baureihe L hat im Vergleich zur Baureihe S etwas kleinere Abmessungen.
Rohrverschraubungen finden Sie auf Katalogblatt F 9.300.
4.2 Welche Hydraulikrohre werden verwendet?
Als Anschlussrohr wird empfohlen, nahtloses verzinktes Hydraulikrohr nach DIN 2391 aus St 37 zu verwenden (finden Sie auf Katalogblatt F 9.300).
Die erforderliche Rohrwandstärke richtet sich dem Nenndruck.
Um dynamische Druckverluste in Rohrleitung gering zu halten, sollten Rohrleitungen möglichst kurz und mit großen Biegeradien ausgeführt werden.
4.3 Was ist bei der Auswahl und dem Einsatz von Hydraulikschläuchen zu beachten?
Als Anschlussschläuche sollten Hydraulik-Hochdruckschläuche mit 4-facher Sicherheit gegen Bersten verwendet werden. Diese finden Sie als bereits mit Anschlussarmaturen fertig montierte Schlauchleitungen auf Katalogblatt F 9.361. Neben den 4 Vorzugslängen
werden auch Längen nach Kundenwunsch geliefert.
Beim Einsatz von Hydraulikschläuchen ist einigen Kriterien besondere Beachtung zu schenken.
Medium
Die Beständigkeit gegenüber den eingesetzten Medien muss gegeben sein.
Die Hochdruckschläuche F 9.361 sind beständig gegen alle Hydrauliköle auf Mineralölbasis und gegen Wasserglykole.
Maximaler Betriebsdruck
Schläuche werden in der Regel dynamisch beansprucht. Durch Beschleunigungs- und Verzögerungsvorgänge entstehen Druckspitzen, die weit über dem statischen Druck liegen können. Der maximale Betriebsdruck von Hydraulikschläuchen wird deshalb für einen schwellenden und einen stoßweisen Betrieb unterschieden und spezifiziert.
Volumenzunahme durch Materialdehnung
Bei Druckbeaufschlagung werden Schläuche gedehnt und nehmen ein zusätzliches Volumen an Hydraulikmedium auf. Dieses Volumen kann bei den meisten Anwendungen vernachlässigt werden, muss jedoch bei Anwendungen mit kurzer Taktzeit unbedingt beachten werden (siehe 2.9).
Biegeradius
Die angegebenen Mindest-Biegeradien sind unbedingt einzuhalten.
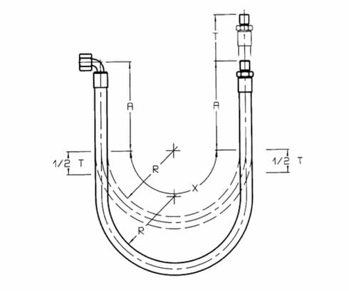
Der Biegeradius hat direkten Einfluss auf die Schlauchlänge und berechnet sich wie folgt:
- Statischer Einsatz
Länge = 2A + 3,142 x R = 2A + X - Flexibler Einsatz
Länge = 2A + 3,142 x R + T = 2A + X + T
Um Knickbeanspruchungen an den Armaturen zu vermeiden sind beide Schlauchenden gerade zu verlegen. Deshalb empfehlen wir, bei der Längenberechung gemäß der Abbildungen oben zu verfahren, wobei „R“ der Mindestbiegeradius ist. Dieser Radius wird an der Innenseite des Bogens gemessen, wobei sich der Schlauch um nicht mehr als 10% des ursprünglichen Außendurchmessers abflachen darf.
Bei der Berechnung von flexibel installierten Leitungen ist die dem Hubweg entsprechende Länge „T“ zu berücksichtigen.
Hinweis
Da Schlauchleitungen in der Regel mit mindestens einer Biegung verlegt werden, ist es unumgänglich, Zugbelastungen an den Armaturen zu vermeiden, um eine größtmögliche Einsatzdauer zu gewährleisten.
Einbau
Vermeiden Sie das Verdrehen von Leitungen. Wo sich bewegende Teile ein Verdrehen der Leitung verursachen können, vermeiden Sie dies durch korrekten Einbau der Leitung.
Biegen Sie unter keinen Umständen näher als 1,5 × „d“ nach der Fassung!
Vermeiden Sie Berührungen mit Objekten, die Abrieb oder Beschädigungen verursachen
können. Sollte sich der Schlauch im Einsatz bewegen, so beachten Sie besonders die Schlauchlänge.
Verschleiß / Alterung
Schläuche sind als Verschleißteile einzustufen, da sie selbst bei sachgemäßer Verwendung einer natürlichen Alterung unterliegen. Sie sollten regelmäßig geprüft und nach einer gewissen Lebensdauer ausgetauscht werden. Weitere Hinweise enthalten die gültigen Vorschriften und Normen wie z. B. die DIN EN 982 „Sicherheitstechnische Anforderungen an fluidtechnische Anlagen und deren Bauteile“.
Ermittlung der Schlauchnennweite
Anhand der Strömungsgeschwindigkeit v und des Volumenstroms Q kann die erforderliche Mindest-Schlauchnennweite errechnet werden.
Für den Volumenstrom bzw. die Durchflussmenge Q in l/min und die Strömungsgeschwindigkeit V in m/s und kann die Mindest-Schlauchnennweite in Millimeter auch aus dem folgenden Nomogramm abgelesen werden.
Durch Verbinden der beiden Werte für Q (l/min) und V (m/s) erhält man auf der mittleren Skala die Schlauch-Nennweite DN.
Gewählt werden sollte dann der nächst höhere genormte Durchmesser.
Beispiel:
Gegeben: Durchflussmenge Q: 70 l/min
Gegeben: Strömungsgeschwindigkeit V: 4 m/s
Aus Nomogramm: Nennweite (DN): 20 mm
Anhaltswerte für maximale Strömungsgeschwindigkeiten von Hydraulikschläuchen sind:
- Druckleitungen: 5 m/s
- Rücklaufleitungen: 2 m/s
- Saugleitungen: 1,2 m/s
Hinweis
Die maximal zulässige Strömungsgeschwindigkeit von Hydraulikzylindern (siehe 2.6) liegt weit unter den maximalen Strömungsgeschwindigkeiten von Hydraulikschläuchen.
5.1 Wieviel Lecköl fällt bei Hydraulikzylindern an?
Bei ROEMHELD Hydraulikzylindern werden für die Kolbenstange Dichtungssysteme eingesetzt, die in der Regel aus mehreren Dichtelementen bestehen. Diese Dichtungssysteme ermöglichen es, dass die Dichtstellen im Stillstand im gesamten angegebenen Druckbereich absolut dicht sind. Es tritt weder Öl an der Kolbenstange aus, noch gibt es einen Ölübergang von Kolben- und Kolbenstangenseite.
Wichtig
ROEMHELD Hydraulikzylinder sind im statischen Zustand leckölfrei. Damit eine ausreichende Lebensdauer erreicht wird, müssen die Dichtungssysteme beim Verfahren, im dynamischen Betrieb vom Hydraulikmedium geschmiert werden. Da das Hydraulikmedium zu den Dichtungen gelangen muss, tritt dabei eine gewisse Menge an Lecköl auf. Diese Menge ist zwar relativ gering, aber speziell das Lecköl, das zur Kolbenstange aus dem Zylinder austritt, muss unter dem Gesichtspunkt des Umweltschutzes bedacht werden. Gegebenenfalls ist ein umweltverträgliches Hydraulikmedium zu wählen.
Der Leckölanfall ist von vielen Faktoren abhängig, z. B.:
- dem Kolben- bzw. Kolbenstangendurchmesser
- dem Hub
- der Kolbengeschwindigkeit
- dem Betriebsdruck
- der Viskosität des Hydraulikmediums
- dem Dichtungssystem
- der Oberfläche der Kolbenstange
Zur Reduzierung der Leckölmengen im Niederdruckbereich können Hydraulikzylinder mit besonders leckölarmen Abdichtungen versehen werden. Bitte sprechen Sie uns an!
5.2 Wie groß sind die Maßtoleranzen, wenn nichts im Katalogblatt steht?
Welche Maßtoleranz haben die Gehäuse?
Maße ohne Toleranzangaben entsprechen den Allgemeintoleranzen nach DIN ISO 2768-mH. Damit gelten nebenstehende Längen- und Winkelabmaße sowie Form- und Lägetoleranzen.
Davon abweichend gilt:
- für Gussteile: Freimaßtoleranz GTB 16 nach DIN 1686
- für Schmiedeteile: Schmiedegüte F nach DIN 7526
Die Toleranz des Hub beträgt (soweit nicht anders angegeben): ±1,0 mm
Die Toleranz der Gesamtlänge l beträgt (soweit nicht anders angegeben): ±1,0 mm
Diese Toleranzen sind relativ groß, da es sich um Längen handelt, die sich aus mehreren Bauteilen und deren Toleranzen zusammensetzen.
Toleranz der Gehäuselänge bei Blockzylindern
Bei Blockzylindern errechnet sich die Gehäuselänge A aus den folgenden Maßangaben:
A = l - c
Die Toleranz der Gehäuselänge beträgt nicht ±1,0 mm (entsprechend der Toleranz der Gesamtlänge l), sondern ist wesentlich kleiner.
5.3 Was ist aus Sicherheitsgründen zu beachten?
- Beachten Sie vor der Montage, Inbetriebnahme, Betrieb und Wartung von Hydraulikzylindern unbedingt die Hinweise in den entsprechenden Betriebsanleitungen.
- Beachten Sie immer die Anwendungsgrenzen der Hydraulikzylinder. Dies gilt insbesondere für den maximalen Betriebsdruck aber auch die Temperatur, Strömungsgeschwindigkeit, Beständigkeit gegen das Hydraulikmedium etc.
- Es wird empfohlen, immer ein Manometer o. ä. zur Druckanzeige und ggf. entsprechende Sicherheitsventile zur Überdruckbegrenzung zu installieren.
- Quetschgefahr - Hände und andere Körperteile immer vom Arbeitsbereich fern halten
- Beachten Sie, dass die Kräfte des Hydraulikzylinders von den Bauteilen aufgenommen werden müssen, an denen der Zylinder befestigt ist.
- Verwenden Sie nur sauberes Hydrauliköl gemäß Kapitel 3.5.
- Modifizieren Sie einen Hydraulikzylinder oder ein Zubehörteil niemals selbst
(z. B. Anbringen von zusätzlichen Bohrungen, Abfräsungen etc.).
Bitte sprechen Sie uns an, falls Modifikationen notwendig sind.
5.4 Welche Unterstützung kann ich zur Montage, Inbetriebnahme, Wartung und Instandsetzung erhalten?
Hinweise zur Montage, Inbetriebnahme und Wartung von Hydraulikzylindern finden Sie in den entsprechenden Betriebsanleitungen.
Für die Instandsetzung stehen Ersatzteillisten und -zeichnungen zur Verfügung.
Instandsetzungsarbeiten können Sie selbstverständlich auch von ROEMHELD durchführen lassen. Senden Sie uns einfach die defekten Hydraulikzylinder zu. Sie erhalten zunächst einen Kostenvoranschlag über die Reparatur. Nach Ihrer Reparaturfreigabe werden die Zylinder dann instandgesetzt und geprüft wieder an Sie zurückgeschickt.
Darüber hinaus bietet ROEMHELD einen technischen Kundenservice, der alle diese Arbeiten auch in Ihrem Hause durchführt.
Alle Informationen zu Serviceleistungen von ROEMHELD finden Sie hier ...
5.5 Was bedeuten die Schaltzeichen im Hydraulikplan?
Schaltzeichen sind eine Art Kurzschrift und dienen der schnellen Verständigung zwischen Fachleuten über Sprachgrenzen hinaus. Die Schaltzeichen für Ölhydraulik und Pneumatik sind international in der DIN ISO 1219 festgelegt.
In der Auswahl sind hauptsächlich die Schaltzeichen von Geräten erklärt, die im ROEMHELD Programm zu finden sind. Jedes Schaltzeichen kennzeichnet ein Gerät und seine Funktion jedoch nicht seine Bauart.
In Schaltplänen werden die Geräte in Nullstellung und falls diese nicht vorhanden, in Ausgangsstellung der Steuerung, die Anlagen in Ruhestellung dargestellt. Wird hiervon abgewichen, so ist ein Hinweis, z. B. Arbeitsstellung, erforderlich.
6.1 Sind Kolbenquerkräfte zulässig oder gibt es besondere Ausführungen?
Übliche Hydraulikzylinder sind nur in geringem Maße für die Aufnahme von Querkräften auf die Kolbenstange und die daraus resultierenden Momentbelastungen geeignet.
Querkräfte belasten die Kolben- und Kolbenstangenführung des Zylinders und führen dadurch zu einer Reduzierung der Lebensdauer, zu Undichtigkeiten bis hin zur Zerstörung des Zylinders. Querkräfte sollten deshalb - insbesondere bei einfach wirkenden Zylindern -
vermieden werden.
In keinem Fall darf die Kolbenquerkraft 3% der Zylinderkraft bei maximalem Betriebsdruck überschreiten (bis 50 mm Hub). Bei längeren Hüben wird dies zunehmend kritischer.
Für die Aufnahme von Kolbenquerkräften und Momentbelastungen bietet ROEMHELD besondere Baureihen an:
- RS-Hydraulik-Schieber B 1.7385
Hydro-Blockzylinder mit 4 seitlich angebrachten Führungssäulen für hohe Querkräfte. An die Führungssäulen und die Kolbenstange ist eine Frontplatte montiert, an der Nutzlasten wie z. B. Werkzeuge befestigt werden können. Das Katalogblatt B 1.7385 enthält Angaben über die maximal zulässigen Nutzlasten sowie Graphiken der maximal zulässigen Momente, die durch die Querkräfte entstehen. - RM Mini-Schieber B 1.7384
Hydraulik-Schieber auf Blockzylinderbasis. Der RM-Schieber hat ebenfalls 4 Führungssäulen, die mit einer Frontplatte verbunden sind, die jedoch deutlich kleiner als beim RS-Schieber ausgeführt sind.
Der RM Mini-Schieber ist daher eher für geringe bis mittlere Querkraftbelastungen geeignet. Genauere Angaben finden Sie im Katalogblatt. - Blockzylinder mit Führungsgehäuse B 1.738
Blockzylinder aus Aluminium oder Stahl mit einem vorgebauten Führungsgehäuse, in dem ein Bolzen gelagert ist. Der Bolzen ist formschlüssig an die Kolbenstange gekuppelt und überträgt die hydraulische Kraft an die Einsatzstelle. Alle auftretenden Querkräfte werden nur auf den Bolzen bzw. das Führungsgehäuse geleitet. - Hydro-Blockzylinder B 1.590 und Hydro-Zylinder B 1.282
Hydraulikzylinder in Zylinderrohrausführung für Hübe bis zu 1200 mm. Durch ein spezielles Führungssystem können Querkräfte selbst bei längeren Hüben aufgenommen werden.
- 0°- Schwenkspanner
ROEMHELD Schwenkspanner, die Ihren Einsatz hauptsächlich im Vorrichtungsbau haben, sind serienmäßig auch mit 0°-Schwenkwinkel lieferbar, also ohne Schwenkbewegung.
Da der Schwenkspanner für die Aufnahme hoher Spannmomente ausgelegt ist, kann er mit dieser Modifikation als Linearzylinder für Querkräfte eingesetzt werden.
6.2 Welche Ausführungen mit Verdrehsicherung gibt es?
Neben der Möglichkeit, eine externe Verdrehsicherung an die Kolbenstange anzubinden, stehen folgende Ausführungen an Hydraulikzylindern mit integrierter Verdrehsicherung zur Verfügung. Bei der Auswahl ist insbesondere das radiale Spiel der Verdrehsicherung zu beachten.
- RS Hydraulik-Schieber B 1.7385
Hydro-Blockzylinder mit 4 seitlich angebrachten Führungssäulen. An die Führungssäulen und die Kolbenstange ist eine Frontplatte montiert, an der Nutzlasten befestigt werden können. Dadurch wird eine spielfreie Verdrehsicherung garantiert.
Die zulässigen Drehmomente sind im Katalogblatt angegeben. - RM Mini-Schieber B 1.7384
Hydraulik-Schieber auf Blockzylinderbasis. Der RM-Schieber hat ebenfalls 4 Führungssäulen, die mit einer Frontplatte verbunden sind, die jedoch deutlich kleiner als beim RS-Schieber ausgeführt sind. Der RM Mini-Schieber ist daher eher für geringe bis mittlere Drehmomente geeignet. - 0°-Schwenkspanner
ROEMHELD Schwenkspanner mit 0°-Schwenkwinkel können als Linearzylinder eingesetzt werden (siehe 6.1). Da der Kolben des Schwenkspanners in einer Nut geführt wird, ist er verdrehgesichert. Das Radialspiel beträgt je nach Ausführung maximal 2 Grad. 0°-Schwenkspanner in zahlreichen Baureihen finden Sie im ROEMHELD Spanntechnik-Katalog.
6.3 Welche Ausführungen mit Endlagendämpfung gibt es?
Werden Hydraulikzylinder mit hohen Geschwindigkeiten verfahren, so wird beim ungebremsten Auftreffen des Kolbens in der Endlage schlagartig eine hohe Energie freigesetzt, die von dem Zylindergehäuse und der Gewindebuchse aufgenommen werden muss. Dies kann zur Reduzierung der Lebensdauer des Zylinders führen. Auch unerwünschte Auswirkungen auf die eigentliche Funktion durch Erschütterungen sowie Lärmbelästigungen durch die Schläge können die Folge sein.
Abhilfe schafft natürlich die Reduzierung der Geschwindigkeit. Ist dies aber nicht möglich, so ist der Einsatz eines Zylinders mit integrierter hydraulischer Endlagendämpfung zu empfehlen. Diese Endlagendämpfung zwingt das Hydraulikmedium auf den letzen Millimetern des Hubs (z. B. 8 mm) durch eine Bohrung o. ä.. Durch diese Blendenwirkung wird der Volumenstrom gedrosselt und damit die Kolbengeschwindigkeit und die Energie in den Endlagen reduziert.
Wird die Wahl eines Hydraulikzylinders mit Endlagendämpfung in Betracht gezogen, so ist zu beachten:
- Je kürzer der Hub ist, desto sinnvoller kann eine generelle Reduzierung der Geschwindigkeit sein.
- Ideal ist eine am Zylinder einstellbare Endlagendämpfung, mit der die Dämpfungswirkung auf den jeweiligen Einsatzfall angepasst werden kann. Zudem können die beiden Endlagen dann auch unabhängig voneinander eingestellt werden.
- Wird der Zylinder gegen einen externen Festanschlag gefahren, so werden das Gehäuse und die Gewindebuchse des Zylinders selbst nicht belastet. Eine Endlagendämpfung zum Schutz des Zylinders ist dann nicht notwendig.
6.4 Welche Möglichkeiten zur Abfrage der Kolbenstellung gibt es?
Zur Abfrage der Kolbenstellung von Hydraulikzylindern werden Positionskontrollen bzw. Positionsüberwachungen eingesetzt. Je Abfrageposition ist ein Sensor notwendig. Sensoren bzw. Positionskontrollen werden immer als Zubehör oder Optionen betrachtet. Das heißt, sie gehören nicht zum Lieferumfang des Hydraulikzlinders und sind als separate Positionen zu bestellen. Die Sensoren werden häufig mit Steckern mit angebautem Kabel angeschlossen, die über eine LED-Funktionsanzeige verfügen.
Magnetsensoren
Am Kolben wird ein Permanentmagnet befestigt, dessen Magnetfeld über einen elektronischen Magnetsensor erfasst wird. Die Magnetsensoren werden bei Blockzylindern außen am Gehäuse in Längsnuten befestigt.
Vorteilhaft beim Einsatz von Magnetsensoren ist:
- Kompakte Bauform / Geringer Platzbedarf
- Einstellbare Schaltpunkte durch Verschieben des Sensors in den Längsnuten
- Abfrage von mehreren Positionen möglich, da in den zwei Längsnuten des Gehäuses - in Abhängigkeit der Nut - bzw. Hublänge - mehrere Sensoren befestigt werden können. Der Mindestabstand zwischen den Schaltpunkten in einer Nut beträgt 6 mm, bei zwei Nuten 3 mm.
Beim Einsatz von Magnetsensoren ist zu beachten:
- Magnetsensorabfragen können nur mit nichtmagnetisierbaren Gehäusen (Aluminium oder Bronze) eingesetzt werden. ROEMHELD Aluminiumgehäuse sind im maximalen Betriebsdruck auf 350 bar begrenzt und sind nicht für stoßhafte Belastungen, die z. B. bei Stanz- und Schnittvorgängen auftreten, geeignet. Für solche Anwendungen bis maximal 500 bar bietet ROEMHELD Blockzylinder mit Bronzegehäuse an.
- Beeinflussung des Magnetfelds durch benachbarte, magnetisierbare Bauteile
(z. B. Stahlteile):
Um eine einwandfreie Funktion zu gewährleisten, wird empfohlen zwischen Magnetsensor und magnetisierbaren Bauteilen einen Abstand von mindestens 25 bis 30 mm einzuhalten. Zwar kann die Funktion auch durchaus bei einem kleineren Abstand gegeben sein, dies hängt jedoch sehr von der individuellen Einbausituation ab. So können in der Regel auch übliche Stahlschrauben zur Befestigung des Zylinders verwendet werden. In Grenzfällen können Schrauben aus nichtmagnetisierbarem Stahl (z. B. VA-Schrauben) eine Verbesserung des Magnetfelds bewirken.
- Beeinflussung des Magnetfelds durch benachbarte Magnetsensoren
Wenn mehrere Blockzylinder mit Magnetsensoren direkt nebeneinander eingebaut werden, können sich die Magnetsensoren gegenseitig beeinflussen und es kommt zu Funktionsstörungen. Abhilfe kann ein magnetisierbares Stahlblech schaffen, dass zur Abschirmung zwischen die Blockzylinder bzw. Magnetsensoren gesetzt wird. - Anforderungen an die Spannungsversorgung
Siehe Katalogblatt G 2.140 - Magnetsensoren für Positionskontrollen - Maximale Betriebstemperatur aller erforderlichen Bauteile
- Magnet: +100 °C
- Magnetsensor: +100 °C
- Anschlusskabel mit Winkelstecker: +90 °C - Überfahrweg und Schalthysterese von ca. 3 mm
Dies ist schon bei der Justierung der Magnetsensoren zu beachten. Bei stillstehendem Kolben sollte der Magnetsensor immer aus der entgegengesetzten Bewegungsrichtung an den Kolben herangeschoben werden.
Weiterführende Informationen zum Einsatz von Magnetsensoren finden Sie unter G 2.140 - Magnetsensoren für Positionskontrollen.
Induktive Näherungssensoren
Es gibt zwei Bauarten von Positionskontrollen mit induktiven Näherungssensoren.
Abfrage mit hochdruckfesten Näherungsinitiatoren für die Endlagenkontrolle
Das Zylindergehäuse erhält für jede Endlagen eine Bohrung mit Innengewinde, in die ein hochdruckfester, induktiver Näherungssensor eingeschraubt werden kann. Der Sensor fragt direkt den Kolben des Zylinders ab. Die Abdichtung nach außen erfolgt mit einem O-Ring. Über den Schaltabstand des Sensors zum Kolben kann der Schaltpunkt bis zu 5 mm vor der Endlage eingestellt werden.
Mit den hochdruckfesten Sensoren werden nur die Endlagen des Hydraulikzylinders abgefragt. Die maximale Betriebstemperatur der Sensoren beträgt 80 °C bzw. 120 °C.
ROEMHELD bietet folgende Hydraulikzylinder mit hochdruckfesten Näherungsinitiatoren an:
Abfrage mit handelsüblichen Näherungsinitiatoren
Für eine Abfrage mit handelsüblichen Näherungsinitiatoren werden Blockzylinder mit einer durch den Zylinderboden durchgehenden Kolbenstange ausgerüstet. Zusätzlich wird ein Abfragegehäuse am Zylinderboden angeflanscht, in dem die Sensoren verschiebbar angebracht werden. Über Schaltnocken auf der Kolbenstange werden die Sensoren bedämpft.
Durch das zusätzliche Gehäuse wird die Gesamtbaulänge beträchtlich länger, es können aber handelsübliche Sensoren mit Außengewinde M8 x 1 verwendet werden. Weil die Sensoren verschoben werden können, können auch Zwischenpositionen abgefragt werden.
Die maximale Betriebstemperatur der Sensoren beträgt 70°C. Die Ausführung „Typ C - Hohe Umgebungstemperatur“ ist einschließlich des Teflon-Anschlusskabels bis zu 120°C geeignet.
Näherungsinitiatoren werden von verschiedenen Herstellern schon für
Umgebungstemperaturen bis etwa 180 °C angeboten, bauen dann jedoch wesentlich größer als die M8-Ausführungen.
Mechanische Endlagenschalter
Für RM Mini-Schieber und RS Hydraulik-Schieber werden mechanische Endlagenschalter als Option angeboten. Die Schalter sind in einem Aluminiumgehäuse untergebracht, was sie speziell für robuste Anwendungen geeignet macht.
Die maximale Betriebstemperatur der Schalter beträgt 70 °C.
Der RM Mini-Schieber kann als Option mit einer bzw. zwei Schaltstangen ausgerüstet, auf denen verschiebbare Schaltnocken die Endlagenschalter betätigen.
Beim RS Hydraulikschieber wird ein Schalter mit der Frontplatte (Eingefahren) und ein Schalter mit der Schaltfahne an den Führungssäulen (Ausgefahren) betätigt.
- a - Endlagenschalter S1 (ausgefahren)
- b - Schaltfahne
- c - Führungssäulen
- d - Endlagenschalter S2 (eingefahren)
Durch angepasste Befestigungswinkel ist es auch möglich eigene Endlagenschalter oder auch Näherungsinitiatoren einzusetzen.
Die maximale Betriebstemperatur der Schalter beträgt +70 °C.
Mechanische Endlagenschalter sind von verschiedenen Herstellern auch für Temperaturen weit über 100 °C erhältlich.
6.5 Welche Zubehörteile hat ROEMHELD im Programm?
Außer dem Programm an Hydraulikzylindern bietet ROEMHELD umfangreiches Programm an Zubehörteilen an. Die entsprechenden Katalogblätter finden Sie im Abschnitt Zubehör des Katalogs.
Sie umfassen die Bereiche:
- Hydraulikventile : C 2.940 bis C 2.954
- Druckübersetzer : D 8.753 und D 8.756
- Rohre, Rohrverschraubungen, Hydrauliköl, Manometer : F 9.300
- Hydraulik-Hochdruckschläuche : F 9.361
- Schnellverschlusskupplungen : F 9.381
- Hochdruckfilter : F 9.500
- Magnetsensoren : G 2.140
- Druckschrauben : G 3.800
- Gelenklager : G 3.810
6.6 Welche Möglichkeiten gibt es für die Lieferung von nicht im Katalog aufgeführten Hublängen?
ROEMHELD Hydraulikzylinder werden in Abhängigkeit der Bauform in zwei verschiedenen Hubabstufungen im Katalog angeboten.
Normhübe:
Bei Block-, Universal- und Einschraubzylindern
Bei diesen Zylindern werden Hublängen von ca. 16 mm bis maximal 200 mm in festen Abstufungen angeboten (z. B. 25, 50, 100, 160, 200 mm). Hübe über 200 mm (Richtwert, durchmesserabhängig) sind in der Regel nicht möglich, da die Innenbearbeitung der Zylinderbohrung den maximal möglichen Hub begrenzt.
Hubabstufung in mm:
Bei Hydro-Zylinder B 1.282, Hydro-Blockzylinder B 1.590
(als Variante auch bei RS Hydraulik-Schiebern B 1.7385)
Bei diesen Zylindern ist es relativ einfach möglich, individuelle und sehr lange Hübe herzustellen, denn es müssen nur die längenabhängigen Bauteile wie z. B. Kolbenstange und Zylinderrohr angepasst werden.
Die Konstruktion bedingt, dass ein bestimmter Mindesthub erforderlich ist.
Nicht im Katalog verzeichnete Hublängen können - innerhalb der fertigungstechnischen Grenzen - natürlich auch geliefert werden.
Hierzu gibt es zwei Möglichkeiten:
Einlegen einer Distanzbuchse
Preiswert und schnell lieferbare Zwischenhübe
In den Standardzylinder mit dem nächst größeren Hub wird auf die Kolbenstangenseite eine Distanzbuchse eingelegt und im Gehäuse befestigt. Der Kolben kann dadurch nicht mehr vollständig ausfahren und der Hub wird durch diesen internen Anschlag in Abhängigkeit der
Buchsenlänge begrenzt.
Die Hubbegrenzung mit Distanzbuchse auf der Kolbenstangenseite ist als Zylindervariante mit einem Preisaufschlag (siehe aktuelle Preisliste) auf den Standardzylinder erhältlich. Die Hubbegrenzung mit Distanzbuchse auf der Kolbenseite ist wegen der Befestigung eine Sonderausführung und ist speziell anzufragen.
Sonderzylinder
Stückzahlabhängige Fertigung
ROEMHELD liefert selbstverständlich auch Zylinder, deren Gehäuse und Kolben speziell für einen Hub hergestellt sind, der nicht im Katalog aufgeführt ist. Diese Ausführungen sind Sonderausführungen, die in der Regel nur in auftragsbezogenen Stückzahlen hergestellt werden.
6.7 Der benötigte Hydraulikzylinder ist nicht im Katalog aufgeführt - gibt es Sonderzylinder?
Neben einem umfangreichen Katalogangebot an Hydraulikzylindern und Zubehör bietet ROEMHELD auch Varianten der Katalogausführungen an. Darüber hinaus liefert ROEMHELD auch Hydraulikzylinder, die nach individuellen Kundenanforderungen konstruiert und gefertigt werden. Bitte sprechen Sie uns an.
Im Falle von Sonderzylindern erhalten Sie von uns nach erfolgter technischer Klärung eine Einbauzeichnung des Zylinders, die alle zum Einbau notwendigen Abmessungen enthält.
7.1 Wie erhalte ich CAD-Daten der Hydraulikzylinder?
Welche CAD-Formate sind verfügbar?
ROEMHELD stellt CAD-Daten von Hydraulikzylindern zur Einbindung in eigene Konstruktionen in folgenden Formaten zur Verfügung:
- 2D-Format: - dxf
- 3D-Formate: - STEP (.stp)
- PARASOLID (.x_t)
- ACIS (.sat)
- CATIA Export (.exp)
- CATIA Model (.model)
Bei den CAD-Daten handelt es sich um die Hülle bzw. Außenkontur von Katalogausführungen. Die 3D-Daten von Hydraulikzylindern sind in der Regel zweiteilig aufgebaut. Da Gehäuse und Kolben zwei verschiedene Elemente sind, kann der Kolben in jeder gewünschten Hubstellung dargestellt werden.
Um Zugriff auf die CAD-Daten zu erhalten und sie herunterladen zu können, ist eine Registrierung bei ROEMHELD (online oder telefonisch) erforderlich.
Die Suche nach CAD-Daten und der Download einer Datei muss stets über die Artikelnummer erfolgen.
Gesamtkatalog zum Online-Blättern
mit Download im PDF-Format
• Hydrozylinder
• Universalzylinder
• Einschraubzylinder
• Blockzylinder
• Hydraulikschieber
zum Online-Blätterkatalog Hydraulikzylinder
Weitere Online-Blätterkataloge finden Sie hier:
Online-Blätterkataloge der Werkstückspannung
Ihr Produkt nicht gefunden?
Sprechen Sie uns an. Wir bieten Ihrem Unternehmen eine individuelle Lösung.
Wir als Spanntechnik-Spezialisten bieten Ihnen eine gesamtheitliche und prozessorientierte Lösung, anstelle von einzelnen Produktlösungen. Lassen Sie uns den Weg gemeinsam gehen.
Wir beraten Sie gerne.
Nutzen Sie die kostenlosen Vorteile unseres Login-Bereichs:
- Download von CAD-Daten
- Download von Betriebsanleitungen
Willkommen zurück! Melden Sie sich in Ihrem bereits bestehenden Benutzerkonto an.


























