Valvola di sequenza NW4
pressione max. d'esercizio 500 bar
Le valvole di sequenza sono adoperate nei circuiti in cui la successione dei movimenti è determinata dalla pressione nel circuito stesso. Le ridotte dimensioni di queste valvole consentono il montaggio direttamente sull’attrezzatura di bloccaggio. Nel caso di cilindri a semplice effetto è sufficiente una sola linea idraulica che colleghi l’attrezzatura con la centralina.
| No. ord. | Files CAD | Descrizione |
|---|---|---|
|
No. ord.
|
Files CAD
|
Descrizione
O-ring 7 x 1,5 mm, NBR
secondo tabella di catalogo B1.5091
|
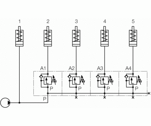
Il pezzo deve essere posizionato e bloccato sull’attrezzatura con cilindri idraulici di bloccaggio.
Sequenza di bloccaggio
1. Il cilindro 1 spinge il pezzo contro il fermo a.
2. La pressione aumenta fino a 30 bar, la valvola di sequenza si apre.
3. I cilindri 2 e 3 si estendono e spingono il pezzo contro i fermi b e c.
4. La pressione dell’olio aumenta uniformemente in tutti i cilindri, poiché, quando la valvola è completamente aperta, non vi sono strozzamenti al passaggio dell’olio.
Comando in sequenza per 5 cilindri di bloccaggio a semplice effetto.
Approfittiare dei vantaggi gratuiti della nostra area di login:
- Download di dati CAD
- Download istruzioni per l’uso
Bentornata / Bentornato! Si registri nel suo conto utente.





